- Neu

Franke Basis BFG 651-78 ist ein funktionales und modernes Fragranit-Spülbecken, das praktische Lösungen mit elegantem Design kombiniert. Dank zwei Becken und einer Abtropffläche bietet es hohen Komfort bei der Essenszubereitung und im täglichen Gebrauch.
Einbau auf die Arbeitsplatte (Inset) – praktische und universelle Lösung.
Fragranit-Material – widerstandsfähig gegen Kratzer, Flecken, Stöße und hohe Temperaturen.
Zwei Becken – Hauptbecken mit einer Tiefe von 200 mm und ein kleineres Zusatzbecken mit einer Tiefe von 100 mm.
Praktische Abtropffläche – ideal zum Abstellen von Geschirr oder Gemüse.
Flexibilität – bis zu 4 Stellen zum Bohren von Löchern mit der Möglichkeit, einen Seifenspender zu installieren.
Hinweis: Die Armatur ist auf der geneigten Abtropffläche platziert und leicht geneigt, was dem Spülbecken einen einzigartigen Stil verleiht.
Siebkorbventil 3 1/2" mit Überlauf,
Siebkorbventil 3 1/2",
Platzsparender Siphon 6/4" mit Anschluss für Geschirrspüler.
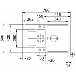
Außenmaß des Spülbeckens: 780 × 500 mm
Hauptbeckentiefe: 200 mm
Tiefe des Zusatzbeckens: 100 mm
Minimale Unterschrankbreite: 600 mm
Montage: auf die Arbeitsplatte (Inset)
Anzahl der Bohrlöcher: 4
Dieses Modell ist ideal für alle, die ein praktisches und geräumiges Spülbecken mit zwei Becken und Abtropffläche suchen. Die Basis-Serie der Marke Franke bietet zuverlässige Qualität, widerstandsfähiges Fragranit-Material und ein elegantes Design, das jede moderne Küche bereichert.
Franke Basis BFG 651-78 ist ein funktionales und modernes Fragranit-Spülbecken, das praktische Lösungen mit elegantem Design kombiniert. Dank zwei Becken und einer Abtropffläche bietet es hohen Komfort bei der Essenszubereitung und im täglichen Gebrauch.
Einbau auf die Arbeitsplatte (Inset) – praktische und universelle Lösung.
Fragranit-Material – widerstandsfähig gegen Kratzer, Flecken, Stöße und hohe Temperaturen.
Zwei Becken – Hauptbecken mit einer Tiefe von 200 mm und ein kleineres Zusatzbecken mit einer Tiefe von 100 mm.
Praktische Abtropffläche – ideal zum Abstellen von Geschirr oder Gemüse.
Flexibilität – bis zu 4 Stellen zum Bohren von Löchern mit der Möglichkeit, einen Seifenspender zu installieren.
Hinweis: Die Armatur ist auf der geneigten Abtropffläche platziert und leicht geneigt, was dem Spülbecken einen einzigartigen Stil verleiht.
Siebkorbventil 3 1/2" mit Überlauf,
Siebkorbventil 3 1/2",
Platzsparender Siphon 6/4" mit Anschluss für Geschirrspüler.
Außenmaß des Spülbeckens: 780 × 500 mm
Hauptbeckentiefe: 200 mm
Tiefe des Zusatzbeckens: 100 mm
Minimale Unterschrankbreite: 600 mm
Montage: auf die Arbeitsplatte (Inset)
Anzahl der Bohrlöcher: 4
Dieses Modell ist ideal für alle, die ein praktisches und geräumiges Spülbecken mit zwei Becken und Abtropffläche suchen. Die Basis-Serie der Marke Franke bietet zuverlässige Qualität, widerstandsfähiges Fragranit-Material und ein elegantes Design, das jede moderne Küche bereichert.